Aktuality
Co se děje aktuálně v Bioanalytice?

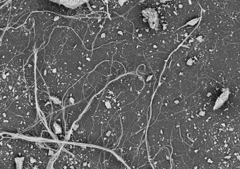
29.08.2025
Fotografie z elektronového mikroskopu
Náš elektronový mikroskop, který je primárně využíván k měření azbestových vláken v ovzduší a pevných materiálech, nám…
Přečíst celý článek

05.06.2025
OSVĚDČENÍ O SPRÁVNÉ ČINNOSTI LABORATOŘE
Byli jsme úspěšně posouzeni na další pětileté období ASLAB - Střediskem pro posuzování způsobilosti laboratoří.
Přečíst celý článek

05.05.2025
Monitoring obsahu benzenu po havárii v Hustopečích
Havárie v Hustopečích nad Bečvou.
Přečíst celý článek

24.03.2025
Nová dotační výzva na odstranění azbestu
Ministerstvo životního prostředí vyhlásilo novou dotační výzvu zaměřenou na bezpečné odstranění azbestu ze zemědělských…
Přečíst celý článek

04.03.2025
Průzkum přítomnosti azbestu ve školách: Naše laboratoř pomáhá zajistit bezpečné prostředí pro děti
Naše analytická laboratoř se podílí na nezávazném průzkumu přítomnosti azbestu ve školách po celé České republice.…
Přečíst celý článek

24.01.2025
Talentovaní mladí chemici soutěžili v laboratoři
Ve čtvrtek 16. ledna 2025 proběhlo v prostorách Střední průmyslové školy chemické v Pardubicích regionální finále 18.…
Přečíst celý článek

18.12.2024
PF 2025
Děkujeme Vám za vaši důvěru a spolupráci v roce 2024.
Přečíst celý článek

20.11.2024
Nové reklamní cedule v naší kanceláři v Hradci Králové
Rádi bychom vás informovali, že naše kancelář v Hradci Králové, kde se kolegové věnují podnikové ekologii, dostala nový…
Přečíst celý článek

19.09.2024
Nabídka rozboru vody po povodních
Co musím udělat, abych zase mohl(a) používat vodu z vlastní studny?
Přečíst celý článek